○常陸大宮市障害者等緊急一時保護事業実施要綱
平成20年3月31日
訓令第16号
(趣旨)
第1条 この要綱は,在宅において介護を必要とする障害者等が緊急又は一時的な理由により在宅での介護が困難となった場合に,福祉施設等に入所させて一時的な保護(以下「一時保護」という。)を行うことについて,必要な事項を定めるものとする。
(実施施設)
第2条 一時保護は,次に掲げる施設の中から市長が委託する施設(以下「委託施設」という。)において実施する。
(1) 身体障害者福祉法(昭和24年法律第283号)第5条に規定する身体障害者更生援護施設
(2) 障害者の日常生活及び社会生活を総合的に支援するための法律(平成17年法律第123号)第5条に規定する生活介護事業所
(3) 老人福祉法(昭和38年法律第133号)第20条の4,第20条の5及び第20条の6に規定する老人福祉施設
(一時保護対象者)
第3条 一時保護の対象者は,市内に住所を有し,次の各号のいずれかに該当する者とする。
(1) 次のいずれかに該当する者で,在宅復帰が可能であり,在宅での介護が一時的に困難となったもの
ア 身体障害者福祉法(昭和24年法律第283号)第15条第4項の規定により身体障害者手帳の交付を受けている者
イ 茨城県療育手帳制度実施要項(平成6年3月22日付障福第272号)による療育手帳の交付を受けている者又は診断書等によりこれに準ずると認められる者
ウ 介護保険法(平成9年法律第123号)第7条第3項第1号又は第4項第1号に該当する要介護者又は要支援者
(2) 社会適応が困難な基本的生活習慣の欠如等があり,一時的に保護する必要がある者で前号に規定する者に準ずると認められるもの
(3) 養護者による障害者虐待を受けた障害者について居室を確保することが必要と認められる者
(一時保護の期間)
第4条 1回の一時保護の期間は,7日以内とする。ただし,市長がやむを得ない理由によると認めるときは,必要最小限の範囲において延長することができる。
(利用の申請)
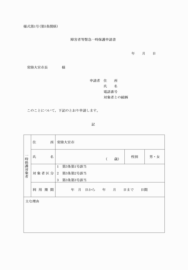
第5条 一時保護を利用しようとする者(家族,代理人等を含む。以下「申請者」という。)は,障害者等緊急一時保護申請書(様式第1号)を市長に提出するものとする。ただし,緊急に保護が必要と認めるときは,この限りでない。
(利用決定の取消し)
第7条 市長は,次の各号のいずれかに該当するときは,利用の決定を取り消すことができる。
(1) 利用の決定を受けた者(以下「利用者」という。)が医療処置の必要又は伝染性疾患のため,委託施設での受入が不適当と認めるとき。
(2) 利用者の暴力行為等により委託施設及び他の入所者の安全に支障があると認めるとき。
(3) 利用者が虚偽その他の不正行為により利用の決定を受けたとき。
(移送)
第8条 入退所時における移送は,原則として利用者の家族等で行うものとする。
(費用負担)
第9条 利用者は,別表に掲げる区分に応じ一時保護に要する費用の一部(以下「利用者負担額」という。)を委託施設に支払わなければならない。
2 利用者は,前項の利用者負担額の他,食事の提供に要する費用及び滞在に要する費用,その他日常生活費等を必要に応じ別途委託施設に支払わなければならない。
2 市長は,前項の請求があったときは,速やかに委託料の支払を行うものとする。
3 一時保護を実施した委託施設の長は,利用者から利用者負担額を受領したときは,利用者に障害者等緊急一時保護利用料(利用者負担分)領収書(様式第5号)を交付するものとする。
(補則)
第11条 この要綱に定めるもののほか,障害者等緊急一時保護に関し必要な事項は,別に定める。
附則
(施行期日)
1 この訓令は,平成20年4月1日から施行する。
(常陸大宮市生活管理指導短期宿泊事業実施要項の廃止)
2 常陸大宮市生活管理指導短期宿泊事業実施要項(平成13年大宮町訓令第17号)は,廃止する。
附則(平成24年訓令第37号)
この訓令は,平成24年10月1日から施行する。ただし,第2条第2号の改正規定は,平成25年4月1日から施行する。
附則(平成25年訓令第23号)
この訓令は,平成26年4月1日から施行する。
附則(平成28年訓令第47号)
この訓令は,公布の日から施行する。
附則(令和3年訓令第51号)
この訓令は,令和3年10月1日から施行する。
附則(令和5年訓令第30号)
この訓令は,令和5年4月1日から施行する。
別表(第9条関係)
利用者区分 | 基本額(1日につき) | 委託料(1日につき) | 利用者負担額(1日につき) | ||
障害者 | 18歳以上 | 区分6 | 9,420円 | 8,478円 | 942円 |
区分5 | 8,100円 | 7,290円 | 810円 | ||
区分4 | 6,790円 | 6,111円 | 679円 | ||
区分3 | 6,170円 | 5,553円 | 617円 | ||
区分2 | 5,460円 | 4,914円 | 546円 | ||
区分1 | 5,460円 | 4,914円 | 546円 | ||
18歳未満 | 区分3 | 8,100円 | 7,290円 | 810円 | |
区分2 | 6,480円 | 5,832円 | 648円 | ||
区分1 | 5,460円 | 4,914円 | 546円 | ||
要介護者 | 要介護1 | 6,090円 | 5,481円 | 609円 | |
要介護2 | 6,790円 | 6,111円 | 679円 | ||
要介護3 | 7,510円 | 6,759円 | 751円 | ||
要介護4 | 8,210円 | 7,389円 | 821円 | ||
要介護5 | 8,900円 | 8,010円 | 890円 | ||
要支援者又はそれに準ずる者 | 5,660円 | 5,094円 | 566円 | ||
備考
1 この表において,「区分」とは障害支援区分に係る市町村審査会による審査及び判定の基準等に関する命令(平成26年厚生労働省令第5号)に規定する区分をいい,「要介護」とは要介護認定等に係る介護認定審査会による審査及び判定の基準等に関する省令(平成11年厚生省令第58号)に規定する要介護をいう。
2 利用者区分の未決定の障害者及び要介護者については,上記金額に準ずるものとする。




